Перейти к основному содержанию

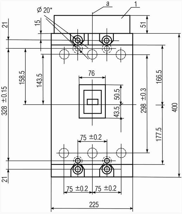
Автоматический выключатель А3793Б ( 40, 63,100,160, 250,400,630А) стац. с э/м приводом

Получить консультацию по товару:
Бесплатная
доставка
Монтаж
оборудования
Сервис

Номинальный ток 40А, 63А, 100А, 160А, 250А, 400А, 630А
Исполнение 2-х полюсный, с полупроводниковым и электромагнитным расцепителем, стац. эл./привод
Напряжение 440В пост.ток

Назначение автоматических выключателей А3790

Выключатели предназначены для проведения тока в нормальном режиме и отключения тока при коротких замыканиях, перегрузках и недопустимых снижениях напряжения, а также для нечастых (до 6 в сутки) оперативных включений и отключений электрических цепей и рассчитаны для эксплуатации в электроустановках с номинальным напряжением до 440 В постоянного тока и напряжением 380 и 660 В переменного тока частоты 50 и 60 Гц.

Допускается использовать выключатели для нечастых прямых пусков асинхронных электродвигателей.


Тип выключателя А3791Б А3792Б А3793Б А3793Б А3794Б
Номинальный ток, In, A1) 630 40,63,100,160,250,400,630 250 l 400 l 630
Количество полюсов 2 3 2 2 3
Номинальное напряжение, В ~ ток 660 660 - 660
=ток 440 - 440 -
Уставки по току полупроводникового расцепителя, Ip ~ ток - - - 0,4; 0,5; 0,6; 0,7; 0,8; 0,9; 1,0; 1,1 x In1)
=ток - - 0,63; 0,8; 1,0 x In -
Уставки по току электромагнитных расцепителей, А 2500; 3200; 4000; 5000; 63003) 2400 | 3800 4000 l 4000 l 6300
Предельная отключающая способность, эфф, кА  cosφ=0,3 ~380B 28,6  - 28,6
 cosφ=0,2 ~660B 50,5  - 50,5
 τ=15мс =440B 110  25 | 110 110