Перейти к основному содержанию

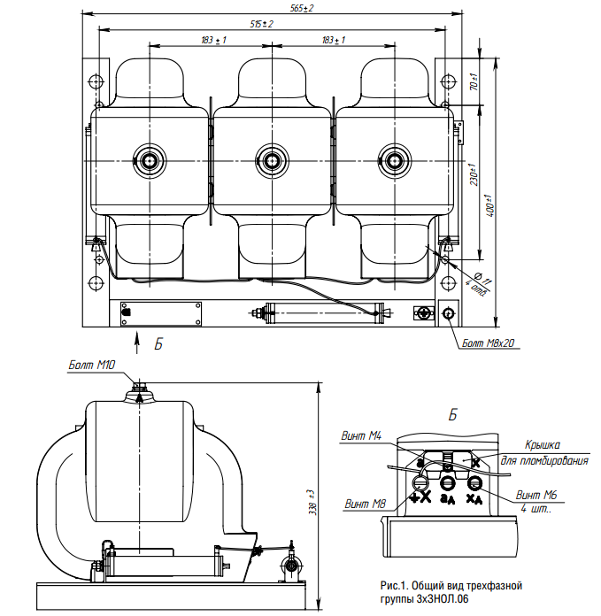
3*ЗНОЛ.06-6 У3

Получить консультацию по товару:
Бесплатная
доставка
Монтаж
оборудования
Сервис

Марка ЗНОЛ
Напряжение 6кВ
Тип Трансформаторы напряжения


Характеристики

Значения

ЗхЗНОЛ.06-6

ЗхЗНОЛ.06-10

Класс напряжения, кВ

6

10

Наибольшее рабочее напряжение, кВ

7,2

12

Номинальное линейное напряжение на выводах первичной обмотки, В

6000, 6300, 6600, 6900

10000, 10500, 11000

Номинальное линейное напряжение навыводах основной вторичной обмотки, В

100

Напряжение на выводах разомкнутого треугольника дополнительных вторичных обмоток:

- при симметричном режиме работы сети, В, не более

- при замыкании одной из фаз сети на землю, В

3

от 90 до 110

Номинальная мощность, В·А, в классе точности:

- 0,2

- 0,5

- 1,0

- 3,0

90 
150 
225 
600

150 
225 
450 
900

Предельная мощность вне класса точности, В·А

1200

1890

Мощность нагрузки на выводах разомкнутого треугольника дополнительной вторичной обмотки при напряжении 100 В и коэффициенте мощности нагрузки 0,8 (характер нагрузки индуктивный), В·А

400

Схема и группа соединения обмоток

У/Ун

Номинальная частота, Гц

50 или 60

Трехфазные антирезонансные группы трансформаторов напряжения 3х3НОЛ устойчивы к феррорезонансу и (или) воздейс- твию перемежающейся дуги в случае замыкания одной из фаз сети на землю.

Трехфазные антирезонансные группы изготавливаются в климатическом исполнении «У» или «Т» категории размещения 3 для 3хЗНОЛ.06 и кате- гории размещения 2 для 3хЗНОЛП по ГОСТ 550.

Рабочее положение – любое. Заземление выводов вторичных обмоток по усмотрению потребителя.

Заземление опорной плиты - обязательно! Монтаж схемы соединений выполняется потребителем.