Перейти к основному содержанию

Подъемник канавный г/п 16 т Хорекс Авто DP16A

Получить консультацию по товару:
Бесплатная
доставка
Монтаж
оборудования
Сервис

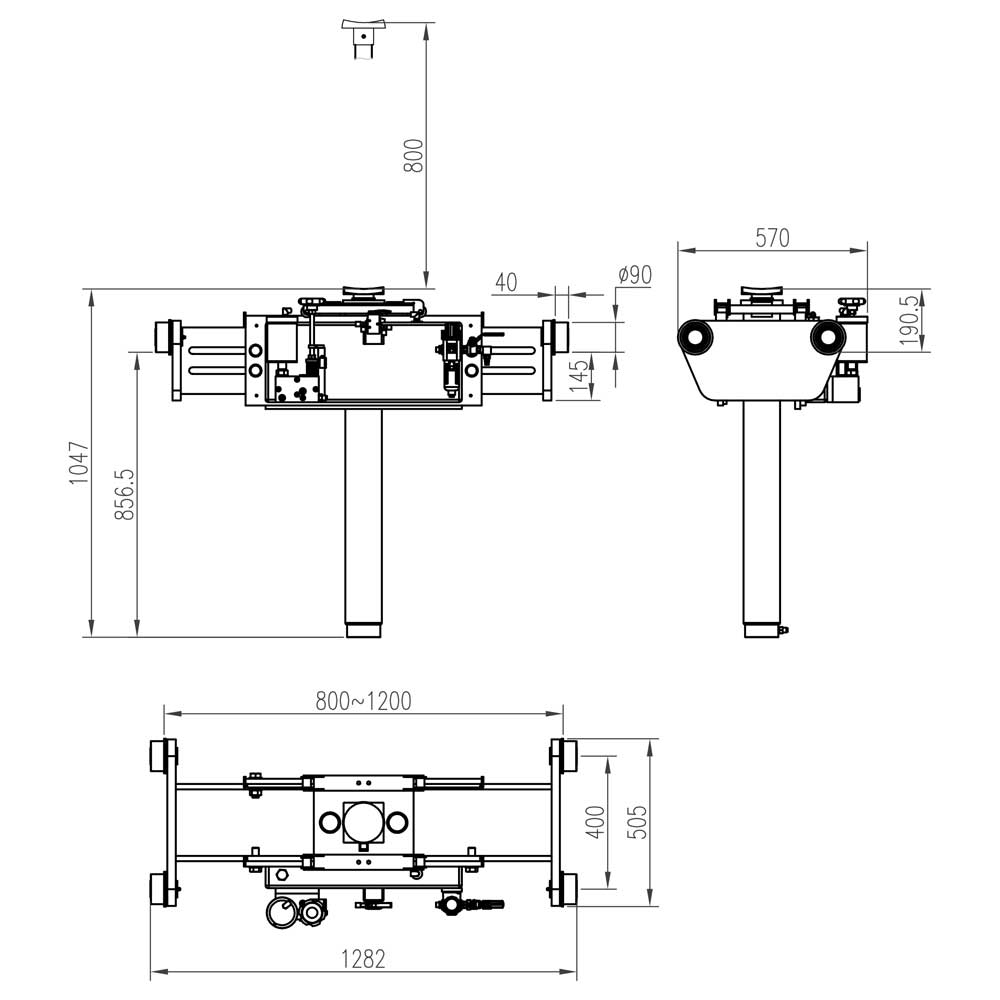
Подъемник канавный г/п 16 т Хорекс Авто DP16A.

Пневмогидравлический привод позволяет быстро подводить цилиндр к точке подъема и быстро возвращать.

Игольчатые подшипники для упрощения перемещения подъемного цилиндра по каретке.

Технические характеристики:

Грузоподъемность: 16000 кг

Высота подъема: 800 мм

Регулировка каретки по ширине ямы: 908-1100 мм (регулировка осуществляется за счет выдвижения оси колес)

Диаметр колес каретки: 80 мм

Рабочее давление сжатого воздуха: 8-10 бар

Потребление сжатого воздуха: 350 л/мин

Время подъема / опускания: 60 / 30 сек

Габаритрные размеры в сложенном состоянии, ШхГхВ: 908 х 520 х 1056 мм

Общий вес: 150 кг

Страна происхождения - Китай.