Перейти к основному содержанию

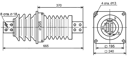
Изолятор проходной ИПУ 10/1600-12,5 УХЛ1 кв. фл.

Получить консультацию по товару:
Цену уточняйте
Бесплатная
доставка
Монтаж
оборудования
Сервис

Производитель Урализолятор
Марка Проходной
Исполнение квадратный фланец

Изоляторы ИПУ-10/630-7,5 УХЛ1 с квадратным фланцем (на четыре отверстия) используются для проведения и изоляции токоведущих частей закрытых РУ электрических станций и подстанций, комплектных распределительных устройств напряжением до 10 кВ и частотой 100 Гц для работы в атмосфере типов I и II по ГОСТ 15150-69, для вывода проводов высокого напряжения из баков трансформаторов, масляных и воздушных выключателей, а также для изоляции проводов, проходящих через стены зданий.

Проходные изоляторы ИПУ-10/630-7,5 УХЛ1 состоят из фарфоровой детали, через внутреннюю полость которой проходит токоведущий металлический стержень прямоугольного сечения (шина) или группа шин. Если изолятор поставляется без шин, то встраивание и закрепление токоведущих частей в эти изоляторы производят непосредственно на монтажных участках.