Перейти к основному содержанию

Стенд универсальный для ремонта ДВС, КПП и др. агрегатов весом до 2000кг. Р776Е

Получить консультацию по товару:
Цену уточняйте
Бесплатная
доставка
Монтаж
оборудования
Сервис

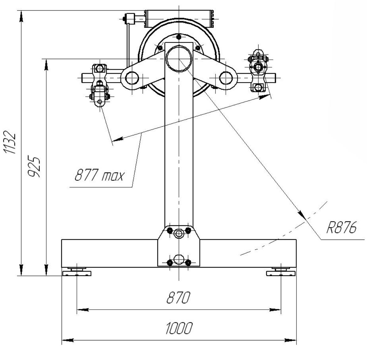
Предназначен для разборки-сборки двигателей и других агрегатов весом до 2000 кг. 

  • Самотормозящийся червячный редуктор позволяет повернуть и зафиксировать закрепленный на стенде двигатель или другой агрегат так, чтобы персоналу было удобно качественно производить ремонтные работы;
  • Универсальные адаптеры позволяют легко закрепить на стенде любой двигатель, КПП или другой агрегат весом до 2000 кг;
  • Разборная конструкция рамы стенда.

Тип  Стационарный
Грузоподъемность, кг 2000
Способ поворота Вручную через червячный редуктор
Вес, кг 250