доставка
оборудования
Трансформатор тока ТКЛМ-0,66 предназначен для передачи сигнала измерительной информации измерительным приборам, в установках переменного тока частоты 50 Гц с номинальным напряжением до 0,66 включительно.
| Характеристики | Значения | ||||||||||
| Номинальное напряжение, кВ | 0,66 | ||||||||||
| Номинальный первичный ток, А | 5 | 10 | 15 | 20 | 30 | 50 | 75 | 100 | 150 | 200 | 300 |
| Номинальный вторичный ток, А | 5 | ||||||||||
| Номинальная частота, Гц | 50 (60) | ||||||||||
| Номинальная вторичная нагрузка с коэффициентом мощности cosφ2= 0,8, ВּА | 5 | ||||||||||
| Номинальный коэффициент безопасности приборов, КБном | 5 | 6,4 | 5 | 6,4 | 5 | 6 | |||||
| Класс точности | 0,5 | ||||||||||
| Испытательное напряжение изоляции вторичной обмотки, кВ | 3,3 | ||||||||||
Трансфо
рматор рассчитан для эксплуатации в районах с умеренным и тропическим климатом (климатическое исполнение «У» и «Т»), для работы в закрытых помещениях с естественной вентиляцией (категория размещения «3»).
При этом:
высота над уровнем моря не более 1000 м;
температура окружающего воздуха от -45 до +50 С;
окружающая среда невзрывоопасная, атмосфера промышленная;
рабочее положение в пространстве — любое.
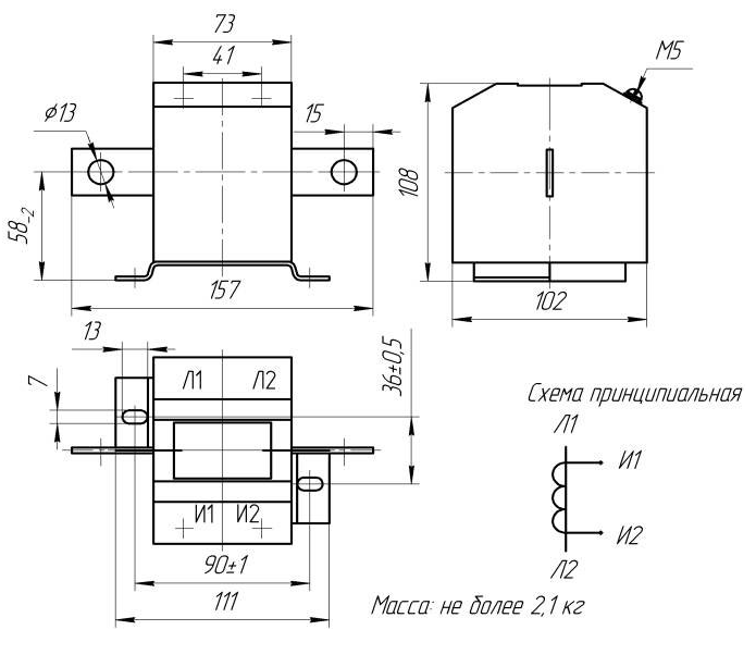
Трансформатор тока ТКЛМ–0,66 по принципу конструкции является опорным, катушечным. Магнитопровод витой ленточный, корпус литой из эпоксидного компаунда.
Трансформатор крепится к конструкции электроустановки с помощью фланца.
Выводы первичной обмотки, включаемой в цепь измеряемого тока, обозначены Л1 и Л2. Выводы вторичной обмотки, к которой подключаются приборы, обозначены И1 и И2. Обозначения первичной и вторичной обмоток находятся на трансформаторе. Трансформатор имеет один коэффициент трансформации и одну вторичную обмотку для измерений.
ТКЛМ-0,66 5/5 кл.т. 0,5
ТКЛМ-0,66 10/5 кл.т. 0,5
ТКЛМ-0,66 15/5 кл.т. 0,5
ТКЛМ-0,66 20/5 кл.т. 0,5
ТКЛМ-0,66 30/5 кл.т. 0,5
ТКЛМ-0,66 50/5 кл.т. 0,5
ТКЛМ-0,66 75/5 кл.т. 0,5
ТКЛМ-0,66 100/5 кл.т. 0,5
ТКЛМ-0,66 150/5 кл.т. 0,5
ТКЛМ-0,66 200/5 кл.т. 0,5
ТКЛМ-0,66 300/5 кл.т. 0,5