Перейти к основному содержанию

ТЗРЛ-70-10Р У2

Получить консультацию по товару:
Цену уточняйте
Бесплатная
доставка
Монтаж
оборудования
Сервис

Марка ТЗРЛ
Напряжение 0,66кВ
Тип Трансформаторы тока


Наименование параметра Норма
Номинальная частота, Гц 50 или 60
Номинальное напряжение, кВ 0,66
Односекундный ток термической стойкости вторичной обмотки, А 140
Испытательное одноминутное напряжение промышленной частоты, кВ 3

 

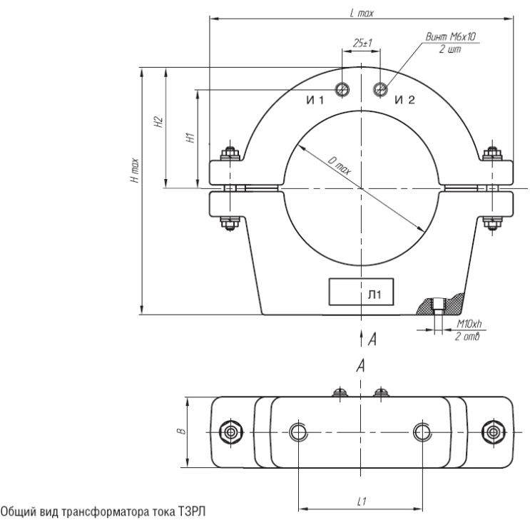
Трансформатор тока «ТЗРЛ» предназначен для защиты от замыкания на землю отдельных жил трехфазного кабеля путем трансформации возникших при этом токов нулевой последовательности. Трансформатор устанавливается на кабели диаметром от 70, 100, 12 и200 мм.

Трансформатор изготавливается в исполнении «У» категории «3» по ГОСТ 15150 и предназначен для работы в следующих условиях:
- высота над уровнем моря не более1000 м;
- температура окружающей среды при эксплуатации - от -45°С до +50°С, при транспортировании - от -50°С до +60°С;
- окружающая среда невзрывоопасная, не содержащая пыли, химически активных газов и паров в концентрациях, разрушающих покрытия металлов и изоляцию;
- рабочее положение - любое.