доставка
оборудования
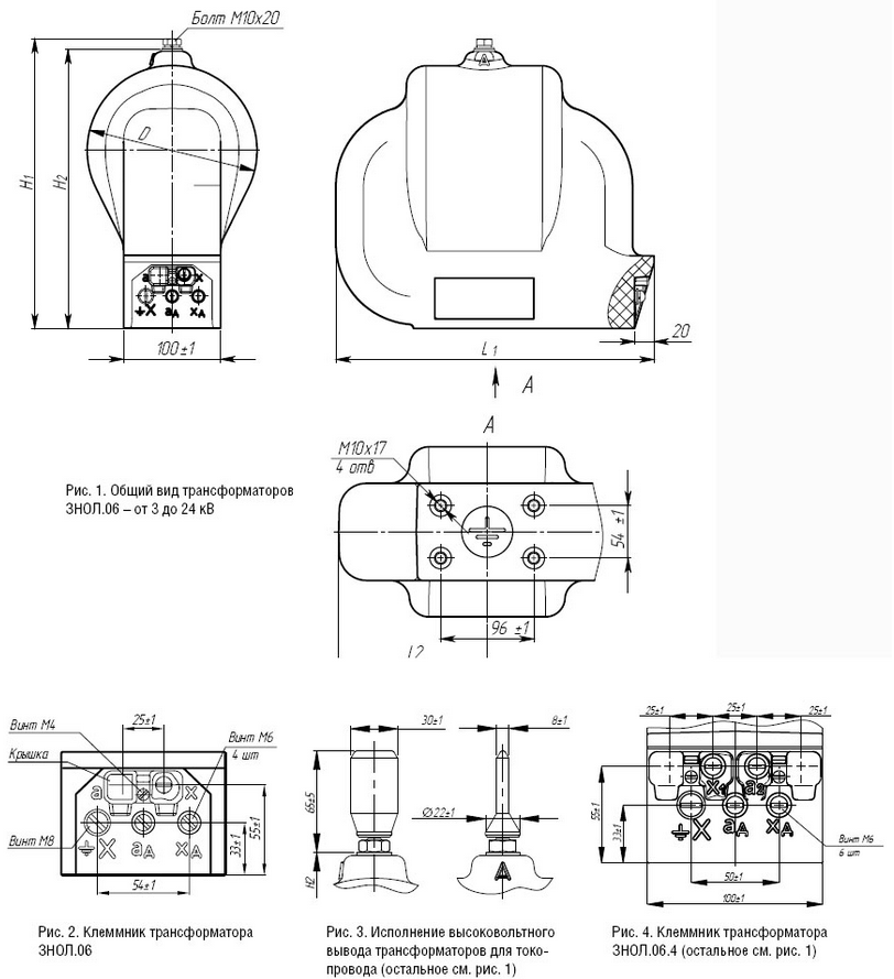
Марка ЗНОЛ
Напряжение 10кВ
Тип Трансформаторы напряжения
| Наименование параметра | Значение для исполнений | |||||||||
| З Н О Л. 06-3 |
З Н О Л. 06-6 |
З Н О Л. 06-10 |
З Н О Л. 06-15 |
З Н О Л. 06М-15 |
З Н О Л. 06-20 |
З Н О Л. 06М-20 |
З Н О Л. 06-24 |
З Н О Л. 06М-24 |
З Н О Л. 06-27 |
|
| Класс напряжения, кВ | 3 | 6 | 10 | 15 | 20 | 24 | 27 | |||
| Наибольшее рабочее напряжение, кВ | 3,6 | 7,2 | 12 | 17,5 | 24 | 26,5 | 30 | |||
| Номинальное напряжение первичной обмотки, В | 3000/√3 3300/√3 |
6000/√3 6300/√3 6600/√3 6900/√3 |
10000/√3 10500/√3 11000/√3 |
13800/√3 15750/√3 |
18000/√3 20000/√3 |
24000/√3 | 27000/√3 | |||
| Номинальное напряжение основной вторичной обмотки, В | 100/√3 или 110/√3* | |||||||||
| Номинальное напряжение дополнительной вторичной обмотки, В | 100/3 или 100 или 110/3* или 110* или 100/√3** | |||||||||
| Номинальная мощность основной вторичной обмотки*** с коэффициентом мощности активно-индуктивной нагрузки 0,8 в классах точности по ГОСТ 1983, В·А: | ||||||||||
| 0,2 | 15 | 30 | 50 | 25 | 50 | 25 | 50 | 30 | 50 | |
| 0,5 | 30 | 50 | 75 | 50 | 75 | 50 | 75 | 50 | 75 | |
| 1 | 50 | 75 | 150 | 75 | 150 | 75 | 150 | 75 | 150 | |
| 3 | 150 | 200 | 300 | 200 | 300 | 200 | 300 | 200 | 300 | |
| Номинальная мощность дополнительной вторичной обмотки с коэффициентом мощности активно - индуктивной нагрузки 0,8 в классе точности 3 по ГОСТ 1983, В·А | 150 | 200 | 300 | 200 | 300 | 200 | 300 | 200 | 300 | |
| Предельная мощность вне класса точности, ВА | 250 | 400 | 630 | 400 | 630 | 400 | 630 | 400 | 630 | |
| Предельный допустимый длительный первичный ток, А | 0,14 | 0,11 | 0,10 | 0,07 | 0,05 | 0,06 | 0,04 | 0,05 | 0,03 | 0,04 |
| Схема и группа соединения обмоток | 1/1/1-0-0 | |||||||||
| Номинальная частота, Гц | 50 или 60**** | |||||||||
Примечание:
* Для трансформтаора ЗНОЛ.06М не применяется.
** Используется как вторая основная вторичная обмотка (для питания измерительных приборов). Нагрузка на обе вторичные обмотки, а также классы точности оговариваются при заказе.
*** Наибольшая возможная мощность заданного класса точности. Возможно изготовление трансформтаоров с меньшими значениями номинальных мощностей вторичной обмотки, выбираемых из ряда: 10, 15, 25, 30, 50, 75, 100, 150, 200. Номинальная мощность оговаривается при заказе.
**** Для поставок на экспорт.
Трансформаторы предназначены для установки в комплектные распределительные устройства (КРУ) внутренней установки или другие закрытые распределительные устройства (ЗРУ), а также для встраивания в токопроводы турбогенераторов и служат для питания цепей измерения, автоматики, сигнализации и защиты в электрических установках переменного тока частоты 50 или 60 Гц в сетях с изолированной нейтралью.
Допускается использование трансформаторов обоих исполнений при температуре окружающего воздуха в токопроводе до 650С при нагрузке трансформаторов не превышающей номинальную мощность класса точности 0,5.
Трансформаторы изготавливаются в климатическом исполнении "У" или "Т"
категории размещения 3 по ГОСТ 15150, предназначены для эксплуатации при условиях:
высота установки над уровнем моря не более 1000 м;
температура окружающей среды с учетом превышения температуры воздуха в токопроводе или КРУ при нагрузке трансформаторов предельной мощностью:
для исполнения "У3" от минус 45°С до плюс 50°С,
для исполнения "Т3" от минус 10°С до плюс 55°С;
окружающая среда невзрывоопасная, не содержащая агрессивных газов и паров в концентрациях, разрушающих металлы и изоляцию;
рабочее положение - любое.