доставка
оборудования
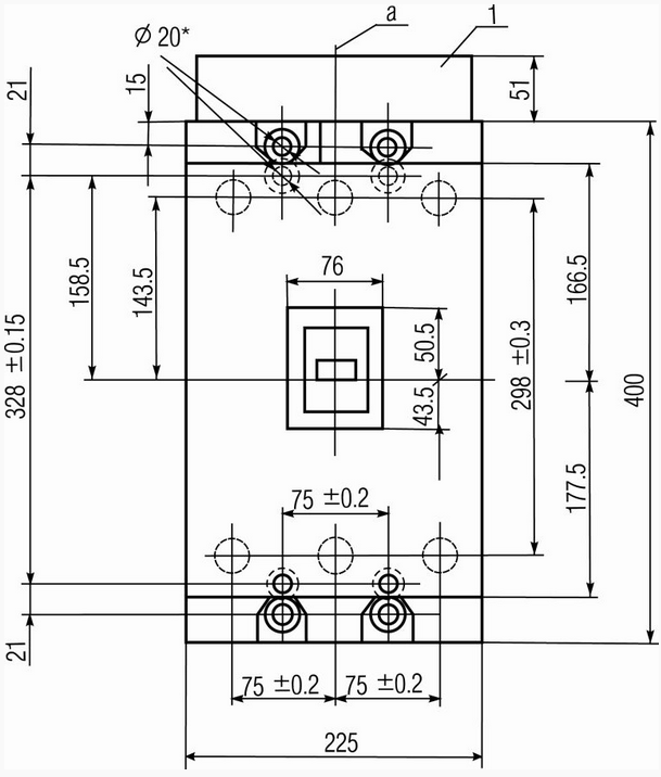
Номинальный ток 630А
Исполнение 2-х полюсный, без расцепителей, стац. ручной привод
Напряжение 440В пост.ток
Назначение автоматических выключателей А3790
Выключатели предназначены для проведения тока в нормальном режиме и отключения тока при коротких замыканиях, перегрузках и недопустимых снижениях напряжения, а также для нечастых (до 6 в сутки) оперативных включений и отключений электрических цепей и рассчитаны для эксплуатации в электроустановках с номинальным напряжением до 440 В постоянного тока и напряжением 380 и 660 В переменного тока частоты 50 и 60 Гц.
Допускается использовать выключатели для нечастых прямых пусков асинхронных электродвигателей.
| Тип выключателя | А3791Б | А3792Б | А3793Б | А3793Б | А3794Б | ||
| Номинальный ток, In, A1) | 630 | 40,63,100,160,250,400,630 | 250 l 400 l 630 | ||||
| Количество полюсов | 2 | 3 | 2 | 2 | 3 | ||
| Номинальное напряжение, В | ~ ток | 660 | 660 | - | 660 | ||
| =ток | 440 | - | 440 | - | |||
| Уставки по току полупроводникового расцепителя, Ip | ~ ток | - | - | - | 0,4; 0,5; 0,6; 0,7; 0,8; 0,9; 1,0; 1,1 x In1) | ||
| =ток | - | - | 0,63; 0,8; 1,0 x In | - | |||
| Уставки по току электромагнитных расцепителей, А | 2500; 3200; 4000; 5000; 63003) | 2400 | 3800 | 4000 l 4000 l 6300 | ||||
| Предельная отключающая способность, эфф, кА | cosφ=0,3 ~380B | 28,6 | - | 28,6 | |||
| cosφ=0,2 ~660B | 50,5 | - | 50,5 | ||||
| τ=15мс =440B | 110 | 25 | 110 | 110 | ||||