Перейти к основному содержанию

3*ЗНОЛПМ-6 УХЛ2

Получить консультацию по товару:
Цену уточняйте
Бесплатная
доставка
Монтаж
оборудования
Сервис

Марка ЗНОЛП
Напряжение 6кВ
Тип Трансформаторы напряжения


Наименование параметра Значение
Класс напряжения, кВ 6 10
Наибольшее рабочее напряжение, кВ 7,2 12
Номинальное линейное напряжение на выводах первичной обмотки, В 6000, 6300 6600, 6900 10000 10500 11000
Номинальное линейное напряжение навыводах основной вторичной обмотки, В 100

Напряжение на выводах разомкнутого треугольника дополнительных вторичных обмоток: при симметричном режиме работы сети, В, не более при замыкании одной из фаз сети на землю, В

3

от 90 до 110

 Номинальная мощность, ВА, в классе точности:

0,2 0,5 1,0 3,0

 

90 150 225 600

 

150 225 450 900

Предельная мощность вне класса точности, В•А

1200

1890

Мощность нагрузки на выводах разомкнутого треугольника дополнительной вторичной обмотки при напряжении 100 В и коэффициенте мощности нагрузки 0,8 (характер нагрузки индуктивный), В•А 400

Схема и группа соединения обмоток Номинальная частота, Гц

У/Ун  

50 или 60

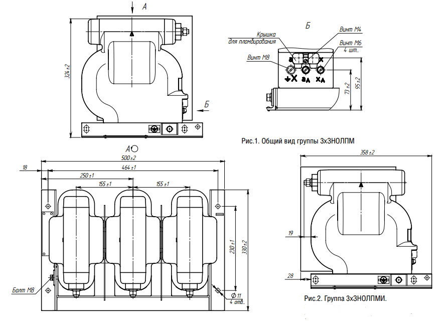
Трехфазные антирезонансные группы изготавливаются в климатическом исполнении «УХЛ» или «Т» категории размещения 2 по ГОСТ 15150. Расположение первичного вывода трансформатора напряжения возможно как с лицевой (ЗНОЛПМ), так и с тыльной (ЗНОЛПМИ) стороны трансформатора. Рабочее положение – любое. Заземление выводов вторичных обмоток по усмотрению потребителя. Заземление опорной плиты – обязательно! Варианты исполнения трехфазной группы: 1. Из трех трансформаторов ЗНОЛПМ – 3хЗНОЛПМ-6 и 3хЗНОЛПМ-10; 2. Из трех трансформаторов ЗНОЛПМИ – 3хЗНОЛПМИ-6 и 3хЗНОЛПМИ-10; 3. Из одного трансформатора ЗНОЛПМ (устанавливается посередине) и двух трансформа- торов ЗНОЛПМИ (устанавливаются по краям) – 3хЗНОЛПМ(1)-6 и 3хЗНОЛПМ(1)-10; 4. Из двух трансформаторов ЗНОЛПМ (устанавливаются по краям) и одного трансформа- тора ЗНОЛПМИ (устанавливается посередине) – 3хЗНОЛПМ(2)-6 и 3хЗНОЛПМ(2)-10;