Перейти к основному содержанию

3*ЗНОЛПМи-6 УХЛ2

Получить консультацию по товару:
Цену уточняйте
Бесплатная
доставка
Монтаж
оборудования
Сервис

Марка ЗНОЛП
Напряжение 6кВ
Тип Трансформаторы напряжения


Наименование параметра Значение
Класс напряжения, кВ 6 10
Наибольшее рабочее напряжение, кВ 7,2 12
Номинальное линейное напряжение
на выводах первичной обмотки, В
6000, 6300
6600, 6900
10000
10500
11000
Номинальное линейное напряжение навыводах основной вторичной обмотки, В 100
Напряжение на выводах разомкнутого треугольника дополнительных вторичных
обмоток:
при симметричном режиме работы сети, В, не более
при замыкании одной из фаз сети на землю, В


3
от 90 до 110

 Номинальная мощность, ВА, в классе точности:

0,2
0,5
1,0
3,0

 

90
150
225
600

 

150
225
450
900

Предельная мощность вне класса точности, В•А 1200 1890
Мощность нагрузки на выводах разомкнутого треугольника дополнительной вторичной обмотки при напряжении 100 В и коэффициенте мощности нагрузки 0,8 (характер нагрузки индуктивный), В•А 400
Схема и группа соединения обмоток

Номинальная частота, Гц

У/Ун  

50 или 60

 

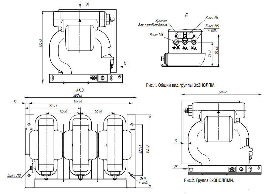
Трехфазные антирезонансные группы изготавливаются в климатическом исполнении «УХЛ» или «Т» категории размещения 2 по ГОСТ 15150. Расположение первичного вывода трансформатора напряжения возможно как с лицевой (ЗНОЛПМ), так и с тыльной (ЗНОЛПМИ) стороны трансформатора.

Рабочее положение – любое. Заземление выводов вторичных обмоток по усмотрению потребителя. Заземление опорной плиты – обязательно!

Варианты исполнения трехфазной группы:

1. Из трех трансформаторов ЗНОЛПМ – 3хЗНОЛПМ-6 и 3хЗНОЛПМ-10;

2. Из трех трансформаторов ЗНОЛПМИ – 3хЗНОЛПМИ-6 и 3хЗНОЛПМИ-10;

3. Из одного трансформатора ЗНОЛПМ (устанавливается посередине) и двух трансформа- торов ЗНОЛПМИ (устанавливаются по краям) – 3хЗНОЛПМ(1)-6 и 3хЗНОЛПМ(1)-10;

4. Из двух трансформаторов ЗНОЛПМ (устанавливаются по краям) и одного трансформа- тора ЗНОЛПМИ (устанавливается посередине) – 3хЗНОЛПМ(2)-6 и 3хЗНОЛПМ(2)-10;