Перейти к основному содержанию

Рубильник РП-5 1000А

Получить консультацию по товару:
Цену уточняйте
Бесплатная
доставка
Монтаж
оборудования
Сервис

Производитель  ВЭМЗ

Марка РПЦ

Номинальный ток, А 1000

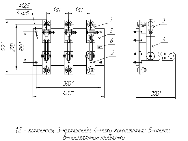
Габаритные размеры(мм): 420*220*280

Вес, кг 11.5

Вид привода Оперирование штангой

Исполнение Рубильник с предохранителем


Разъединители на изоляционном основании (далее аппараты) на номинальные токи 1000, 1600, 2000 А предназначены для пропускания номинальных токов, включения и отключения без нагрузки электрических цепей переменного и постоянного тока номинальным напряжением до 1000 В в устройствах распределения электрической энергии.

Разъединители состоят из изоляционного основания, на которое установлены три пары неподвижных контактов, которые вместе с подвижными образуют три полюса аппарата.

Оперирование разъединителями РП-5 (1000 А, 1600 А) и Р-3545 (2000 А) производится пополюсно оперативной штангой ШО-1. Штанга оперативная в базовый комплект поставки не входит и поставляется по отдельному заказу.

Конструкция контактных выводов обеспечивает присоединение как медных, так и алюминиевых проводников и шин.