Перейти к основному содержанию

Рубильник РПЦ-5 1000А

Получить консультацию по товару:
Цену уточняйте
Бесплатная
доставка
Монтаж
оборудования
Сервис

Производитель Вологодский Электромеханический Завод
Марка РПЦ-5
Номинальный ток 1000
Предохранитель без предохранителя
Тип привода с центральным приводом

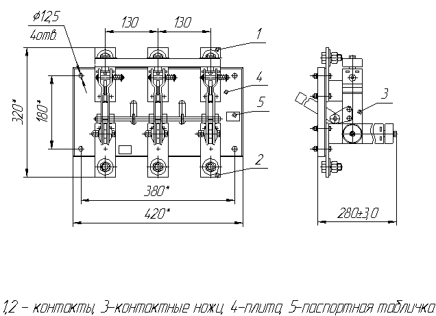
Конструкция рубильника

Основными частями аппаратов являются ножи, совмещенные и контактные стойки с выводами для подключения, смонтированные на общей плите (100...400А - металлическая плита, 630А - текстолитовая).

Рубильники имеют по одному ряду совмещённых и контактных стоек. Необходимое контактное нажатие обеспечивается пружинами, на совмещённых - сферическими шайбами. У аппаратов контактные ножи связаны осью, приводящейся в движение посредством симметрично расположенных по длине тяг, второй конец которых шарнирно соединён с валом. На рубильниках вал приводится во вращение боковой съёмной рукояткой (или приводом), устанавливаемой на одном его конце. Рубильники с центральным расположением привода приводятся в движение скобой связанной с осью контактных ножей.

Рубильник РПЦ-5 1000А с центральным расположением привода ПРЦ