Перейти к основному содержанию

Траверса гидравлическая г/п 2 т Хорекс Авто HRJ-XT-2H

Получить консультацию по товару:
Бесплатная
доставка
Монтаж
оборудования
Сервис

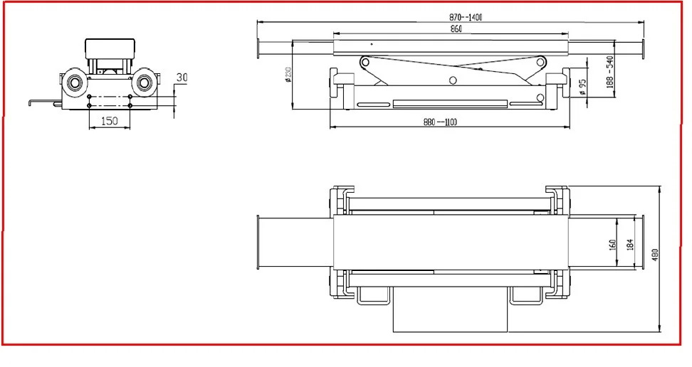
Траверса гидравлическая г/п 2 т, арт. HRJ-XT-2H.

Технические данные: 

Тип привода - ручной гидравлический

Грузоподъемность 2т

Макс. высота подъема, мм   460

Расстояние между точками подхвата, мм  870-1400 

Регулировка по ширине ямы 880-1100мм

Страна происхождения - Китай.