Перейти к основному содержанию

Траверса г/п 5 т Хорекс Авто HRJ-XT-5A

Получить консультацию по товару:
Бесплатная
доставка
Монтаж
оборудования
Сервис

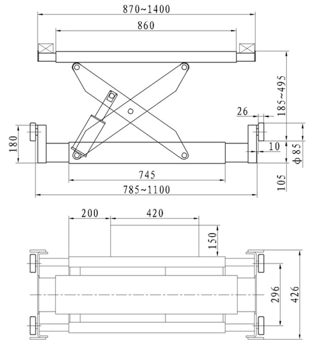
Траверса г/п 5,0 т, арт. HRJ-XT-5A.

Технические данные:

Тип привода - пневмогидравлический

Грузоподъемность: 5 т

Высота подъема: 295-550 мм

Расстояние между точками подхвата, мм: 870 - 1400 мм

Регулировка по ширине ямы: 880-1100 мм

Рабочее давление воздуха: 6-8 бар

Вес: 186 кг

Страна происхождения - Китай.