доставка
оборудования
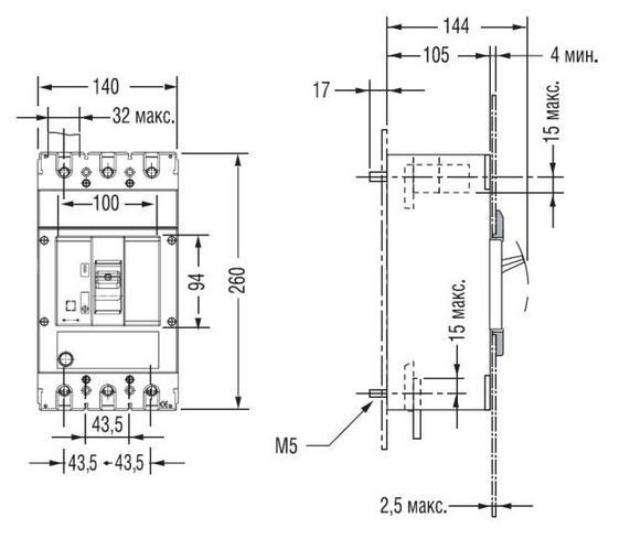
Номинальный ток 400А
Исполнение стационарное
Напряжение 690В
Назначение автоматического выключателя ВА50-39ПРО
Новый выключатель ВА50-39Про на токи от 250 до 630А предназначен для проведения тока в нормальном режиме и отключения тока при коротких замыканиях, перегрузках, недопустимых снижениях напряжения, а также для нечастых оперативных включений и отключений электрических цепей и рассчитаны на эксплуатацию в электроустановках с номинальным напряжением до 690 В переменного тока частоты 50/60 Гц.
| Тип коммутационной способности | С | П | В | |
| Количество полюсов | 3 | 3 | 3 | |
| Номинальный ток выключателя In, А | 125; 160; 200; 250 | |||
| Номинальное рабочее напряжение Ue, B при 50 Гц | 600 | 600 | 600 | |
| Номинальное напряжение изоляции Ui, В | 690 | 690 | 690 | |
| Номинальное импульсное выдерживаемое напряжение Uimp, кВ | 6 | 6 | 6 | |
|
Номинальная предельная наибольшая отключающая способность Icu, кА |
~110/130 B | 35 | 60 | 85 |
| ~220/240 B | 35 | 50 | 65 | |
| ~380/415 B | 18 | 25 | 40 | |
| ~440 B | 15 | 25 | 30 | |
| ~460 B | 15 | 25 | 30 | |
| ~480/500 B | 10 | 15 | 20 | |
| ~550 B | 10 | 15 | 20 | |
| ~600 B | 7,5 | 10 | 12 | |
| Номинальная рабочая наибольшая отключающая способность Ics в % к Icu | ~600 В | 50 | 50 | 50 |
|
Износостойкость, циклов ВО (включения/отключения) |
механическая | 25000 | 25000 | 25000 |
| электрическая при I=In | 8000 | 8000 | 8000 | |
| электрическая при I=0,5xIn | 10000 | 10000 | 10000 | |
| Тип максимального расцепителя | тепловой | + | + | + |
| электромагнитный | + | + | + | |
| Температура окружающей среды, оС |
-25... +70 |
-25... +70 |
-25... +70 |
|