доставка
оборудования
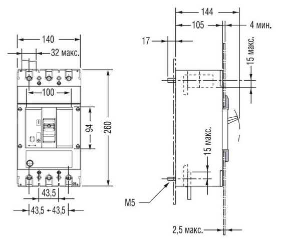
Номинальный ток 630А
Исполнение стационарное
Напряжение 690В
Новый выключатель ВА50-39Про на токи от 250 до 630А предназначен для проведения тока в нормальном режиме и отключения тока при коротких замыканиях, перегрузках, недопустимых снижениях напряжения, а также для нечастых оперативных включений и отключений электрических цепей и рассчитаны на эксплуатацию в электроустановках с номинальным напряжением до 690 В переменного тока частоты 50/60 Гц.
| ип коммутационной способности | Н | П | |
| Число полюсов | 3 | ||
| Номинальный ток выключателя In, А | 250, 320, 400, 500, 630 | ||
| Номинальное напряжение изоляции Ui, В | 690 | ||
| Номинальное импульсное выдерживаемое напряжение Uimp, кВ | 8 | ||
| Номинальное рабочее напряжение Ue, В при 50/60 Гц | 690 | ||
| Номинальная предельная наибольшая отключающая способность Icu, кА | 230 В | 60 | 100 |
| 400 В | 36 | 70 | |
| 400 В | 30 | 60 | |
| 500 В | 25 | 40 | |
| 600 В | 20 | 25 | |
| 690 В | 16 | 20 | |
| Номинальная предельная наибольшая отключающая способность Ics, в % к Icu | 100 | 75 | |
| Износостойкость, циклов ВО (включения/отключения) | механическая | 15 000 | |
| электрическая при I=In | 5 000 | ||
| Категория применения | A | ||
| Тип максимального расцепителя | тепловой | + | |
| электромагнитный | + | ||